GUIDOR easy-graft è un biomateriale malleabile e adesivo, applicabile direttamente dalla siringa. A contatto con il sangue, GUIDOR easy-graft si indurisce in pochi minuti formando un ponte poroso che si adatta perfettamente alla morfologia del difetto, offrendo così un'eccellente stabilità di coagulo nel periodo iniziale di cicatrizzazione.
- Il sistema GUIDOR easy-graft ontiene una siringa pre-riempita di granuli rivestiti con un polimero (di colore blu nella figura e indicato con B nell'immagine al microscopio elettronico a scansione nella sezione sottostante 'Porosità granuli') insieme ad una fiala separata di attivatore di polimero (BioLinker, come indicato dai punti nell'immagine 1).
- Quando viene aggiunto alla siringa, BioLinker ammorbidisce il rivestimento di polimero creando una superficie adesiva. I granuli GUIDOR easy-graft si attaccano quando vengono compressi e sagomati.
- Se a contatto con i fluidi corporei (evidenziati in rosa) BioLinker viene eliminato dal materiale.
- GUIDOR easy-graft si indurisce in pochissimi minuti formando un ponte stabile e poroso di granuli interconnessi che si adatta perfettamente alla forma del difetto (vedere anche l'immagine sottostante al microscopio elettronico a scansione 'Macroporosità).
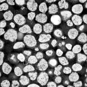
Porosità granuli
Gli innesti ossei osteoconduttivi devono stabilizzare il sito, supportare un coagulo e fornire spazio per la nuova formazione ossea.
![]() MacroporositàIl ponte stabile creato dopo l'applicazione del materiale GUIDOR easy-graft stabilizza il sito. Lo spazio tra i granuli adiacenti sostiene un coagulo e permette la formazione di spazio per lo sviluppo di nuovi vasi sanguigni conseguenti. |
![]() Sistema aperto di poriI fosfati di calcio microporosi, con dimensioni dei pori da 1 μm a 10 μm, permettono una maggiore osteoconduttività e formazione ossea se paragonati ai materiali senza micropori. Il sistema aperto a micropori permette un'ottima circolazione dei fluidi. |
![]() La generazione futuraDalla formulazione originale in granuli di forma sferica, la versione CRYSTAL+ version of easy-graft presenta dei granuli irregolari che consentono di avere uno spazio maggiore per l’osso neo-formato. Essendo bifasico (60%HA + 40% β-TCP) e parzialmente riassorbibile la versione CRYSTAL+ si integra all’interno dell’osso neo-formato da questo deriva il benefit dovuto alla maggior porosità della stuttura della versione +. La versione CLASSIC di easy-graft (100% β-TCP) mantine I granuli di forma sferica e si riassorbe in parallel con la neo formazione ossea |
![]() MicroporositàL'elevata microporosità di GUIDOR easy-graft è visibile al microscopio elettronico a scansione (A). |
Riassorbimento BioLinker e PLGA
Il processo di riassorbimento per il BioLinker e il rivestimento del polimero PLGA avviene in due fasi:
Fase 1) Il BioLinker viene estratto entro alcune ore
Oltre il 90% del BioLinker viene rimosso dal sostituto dell'innesto osseo in tre ore (1) ed espulso attraverso l'urina entro 1-3 giorni (2). Il BioLinker contiene NMP, un solvente largamente utilizzato in dispositivi farmaceutici e medici come membrane dentali, sistemi sottocutanei di rilascio farmaco ecc.

Fase 2) Il coating del polimero PLGA viene riassorbito entro alcune settimane
Parallelamente al processo di rigenerazione e guarigione, il coating di PLGA e la connessione adesiva tra i granuli, si riduce (da tre a sei settimane in vitro). Il processo di riassorbimento del PLGA è controllato dalla rottura della catena polimerica attraverso idrolisi. Dalla completa degradazione si formano acido lattico e acido glicolico. Entrambi i metaboliti sono innocui e sono escreti come biossido di carbonio e acqua.



